Efficiency Improvement of Observation and Analysis of Crystals
The food manufacturing and pharmaceutical industries produce products taken directly into human bodies, so they must provide high levels of safety and quality.
To meet these requirements, appropriate quality control and quality assurance need to be performed by scrutinising crystals precisely in each process, such as the acceptance of crystallised raw materials, the crystallisation process, and the observation and analysis of processed crystals.
This section introduces application examples of our 4K digital microscope, which performs conventionally difficult and time-consuming observations and analyses of crystals with a single unit.

- What Is a Crystal?
- Needs for Crystals and Problems in Observation and Analysis
- 4K Digital Microscope Crystal Application Examples
- A 4K Digital Microscope That Revolutionises Observation and Analysis of Crystals
What Is a Crystal?
A crystal is a form of solid substance in which constituents—such as atoms, molecules, or ions—are arranged sterically in regularly repeating patterns, forming a space lattice. The arrangement of atoms in a crystal is called a crystal structure and the minimum unit in a regularly repeating pattern is called a unit cell. In addition to atoms and inorganic molecules, even proteins having more than one million molecules can crystallise.
A typical crystal is a polyhedron, consisting of many flat planes and sharp edges that form various angles. Many crystals are anisotropic, so they have different properties—such as refractive index and elasticity—in different directions.
Needs for Crystals and Problems in Observation and Analysis
In the food manufacturing and pharmaceutical industries, crystal technologies are widely used for various active pharmaceutical ingredients (API) and substances—such as proteins, amino acids, and starch—used in the product manufacturing process. Because using crystals can add further value to the products, an increasing number of manufacturers use the crystallisation process or procure crystals from the outside. In product manufacturing using crystals, the degree of purity, shape, particle size distribution, solubility, flow characteristics, and some other factors are important in maintaining or improving quality.
Many characteristics of crystals come from the atoms or molecules that constitute the crystal or from the relative positions of the atoms or molecules in the crystal. These characteristics appear anisotropically, especially in the optical properties such as the refractive index, absorption coefficient, angle of optical rotation, and depolarisation ratio. On the other hand, typical evaluations of procured crystals or crystallisation results mainly use the observation and analysis of the appearance, shape, particle size distribution, and other similar items of crystals as typical parameters.
However, observation and analysis of these items are difficult because crystals are extremely small and have complex three-dimensional shapes as well as different degrees of light transparency, light refraction, and diffuse reflection. The following are some specific problems.
- Because crystals have three-dimensional shapes, only a part of the sample can be brought into focus in high-magnification observations.
- The edges have various angles that generate diffuse reflections, making it difficult to determine lighting conditions.
- Many crystals have low contrast with the background, which makes it difficult to capture the outlines of crystals.
- Quantitative analysis and evaluation are difficult due to the above factors.
Read on for an introduction to application examples of our 4K digital microscope, which improves the sophistication, quantification, and work efficiency of crystal observation and analysis.
4K Digital Microscope Crystal Application Examples
KEYENCE has applied direct feedback from our customers into every model of our VHX Digital Microscope, enabling us to overcome real problems operators face.
The VHX Series has a unique observation system that allows operators to enjoy its high performance and with simple operations, eliminating the overspecialisation of equipment.
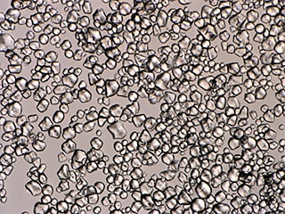
API crystal observation, analysis, and report creation
Because API crystals, used in the making of drugs, have three-dimensional shapes, only a part of the sample can be brought into focus in many observations. Additionally, crystal-specific transparency and light refraction lower the contrast, making it difficult to observe the shapes clearly.
The VHX Series 4K digital microscope supports various lighting conditions with a single unit, enabling quick and easy condition determination, which takes a lot of time with conventional microscopes. This microscope is equipped with the Multi-lighting function, which automatically captures multiple images with omnidirectional lighting at the press of a button. Crystal observation can be started promptly using high-resolution 4K images by simply selecting an image suitable for the purpose from the captured images.
Because the data of multiple captured images is stored, any image can be easily used to observe the target again.
Additionally, by simply selecting a past image, the conditions used for capturing that image can be completely reproduced. A different sample of the same type of target can be easily observed under the same conditions on a different day and time by a different operator.


The VHX Series can also seamlessly switch from observation to analysis of crystal grain sizes. The automatic area measurement/count function can be used to perform binarisation on a specified area. Area measurement and counting of crystals can be automatically performed.
This function automatically measures, calculates, and counts detailed values—such as the number, average area, standard deviation, maximum value, minimum value, area ratio, and other items of crystals in the selected area as well as the area, perimeter, maximum diameter, and minimum diameter of each crystal—and then displays these values in a list. In the selected area, targets that are not required can be excluded and overlapping targets can be separated, which enables highly accurate analysis.

Additionally, Excel can be installed directly on the VHX Series, enabling captured images and values to be output to a custom report.
These various functions improve the simplicity and efficiency of the series of tasks required for observation, analysis, and report creation, significantly reducing the man-hours.

Starch crystal observation with high contrast
Starch crystals have high transparency and, consequently, low contrast on the background. This makes it difficult to observe the crystal outlines and shapes clearly.
In addition to the backlight that provides transmitted lighting, the VHX Series 4K digital microscope is equipped with the High Dynamic Range (HDR) function, which captures multiple images at varying shutter speeds and composes a single image with high colour gradation. With this function, high-resolution 4K images can be captured with high contrast even for targets—like starch crystals—having low contrast on the background, enabling clear observation of crystal outlines and textures.


Observation of amino acid and protein crystals
The VHX Series 4K digital microscope, which combines high resolution with a depth of field that is at least 20 times larger than that of optical microscopes, is equipped with a versatile lighting unit having high functionality. This unit provides multiple different lighting conditions, including transmitted illumination, coaxial illumination, and polarised illumination.
Additionally, the Multi-lighting function, which automatically captures multiple images with omnidirectional lighting, quickly prepares the lighting conditions suitable for each crystal.
The VHX Series’ high performance, functionality, and unique system enable easy observation with high-resolution 4K images even for crystals having varying appearances, such as those of amino acids and proteins, whose observation conditions were traditionally difficult to determine.


A 4K Digital Microscope That Revolutionises Observation and Analysis of Crystals
Traditionally, determining the optimal conditions to observe and analyse crystals has been difficult and time consuming. As the examples introduced above show, the VHX Series 4K digital microscope dramatically changes this common knowledge.
Thanks to the combination of a cutting-edge optical system, a versatile lighting system and versatile lighting system, crystals can be observed and analysed in a more automated fashion.
Additionally, this microscope can count the number of crystals, calculate their sizes, and output the results directly to Excel. The VHX Series is a powerful partner for anyone looking to observe or analyse crystal structures.
For additional info or inquiries about the VHX Series, click the buttons below.


